Wordpress公開記事の詳細
LEDマトリクスをインターフェイスとしたCO2センサによる換気扇自動制御デバイス「VFcom」
2016.07.05

換気扇自動制御デバイス「VFcom」の制作方法
第3回生活デザインコンテスト応募作品
メンバー:
企画・ハードウェアリーダー:数野翔太
ELシステム・外装加工リーダー:武内一晃
開発背景
日常生活をオフィス空間や学校のような閉ざされた空間で過ごす場合、人間の呼吸により室内空気が汚染され人間の健康に被害を及ぼす。空間中の二酸化炭素濃度が上昇することで、濃度が1000ppm以上で眠気や集中力・思考力の低下、2000ppm以上で頭痛や肩こりの症状が発生する。快適に生活を送るには室内空気を清潔に管理する必要である。空気を清潔にする方法として「換気」が効果的である。
近年、スマートメータやHEMSという言葉をメディアで耳にすることが多くなった。スマートメータとHEMSを繋ぐ標準プロトコルとして、2011年にECHONET Liteが認定された。ECHONET Liteの機器オブジェクトには空調関連機器クラスや住宅・設備関連機器クラス、調理・家事関連機器クラスがある。その中でセンサ関連機器クラスを活用したデバイスは少ない。
目的
CO2濃度が人間に与える問題を解決すべく、CO2センサを利用した換気扇自動制御デバイス「VFcom」を開発する。「VFcom」はCO2センサに応じてECHONET Liteより換気扇の自動制御を行い、新鮮な空気を取り込むことで「豊かな」「楽しい」生活を実現するデバイスである。またインターフェイスにLEDマトリクスを使用し、空気環境を可視化することで新しい生活をデザインする。
製品
完成した製品がこちらです。
http://idea.linkdata.org/idea/idea1s1923i
開発手順
まず、以下のプログラム資料をダウンロードし、表にある部品を用意してください。
プログラム資料
http://smart-ilab.sakura.ne.jp/wp/wp-content/uploads/2016/07/VFcom.zip
(本試作はエラーを見つけやすいよう、機能をマイコン一個一個に分割しています。)
全体のシステムはこちらです。
*Arduino1=ATMEGA328P-PU, Arduino2=Arduino pro mini1, Arduino3= Arduino pro mini2
このシステムからLEDマトリクスをインターフェイスとした換気扇自動制御デバイスを開発します。
まずLEDマトリクスの制御についてです。
先ほどのプログラムファイルにあるLED MatrixをATMEGA328P-PU(Arduino1)に書き込み、以下の回路図を参考に接続してください。今回使用するLEDマトリクスはフルカラー制御が可能なものとなっています。しかしATMEGAマイコンではピン数が足りないため、特殊な方法で色の制御を行います。
このように2SC1825トランジスタを8個づつ各色ごとにコレクタを接続し、エミッタをArduino1に接続します。色ごとに使用したトランジスタのベースを接続することで、電圧を印可すると全体の色を変えることができますしかし、色の制御はArduino1ではピン数が足りないため、次のArduino2のピンを使用します。Arduino1のA4,A5ピンはスイッチ制御に使用し、各信号どちらかがHIGHになるか両方ともLOWである時にアニメーションを切り替えます。
次にCO2センサのUART通信とLEDマトリクスのアニメーション選択とカラー制御についてです。
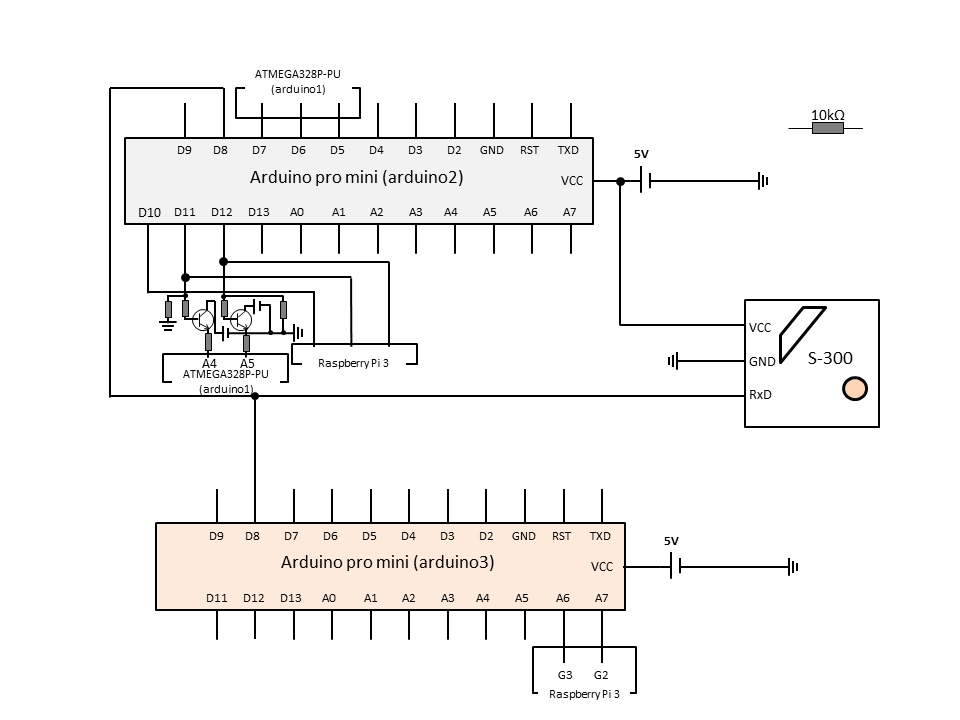
ここでは先ほどのArduino1で使用したマイコンではなくArduino pro mini(Arduino2)を使用します。(ATMEGAマイコンを取り外しての使用でUART通信ができなかったため。)先ほどのプログラムファイルにあるCO2をArduino2に書き込み、以下の回路図を参考に接続してください。
上図の水色のマイコンがArduino pro mini(Arduino2)になります。ここでは、CO2センサ(S-300)とUART通信を行い空気中のCO2濃度を取得します。このセンサ値からArduino2のピンを制御し、先に接続されたArduino1のA4、A5ピンのスイッチのON,OFFを行い、さきほどのトランジスタのベースに接続することでLEDマトリクスのカラー制御も同時に行います。
次にCO2センサの値をRaspberry Pi へI2C通信で送信する制御部です。
プログラムファイル内にあるI2CをArduino pro mini 2(Arduino3)に書き込み、上記の回路図のようにArduino3にあるSDA(A6)、SCL(A7)をRaspberry Pi3のSDA(2),SCL(3)に接続します。
最後にRaspberry PiのGPIOの回路です。
ここは、Aruino2のスイッチ制御によるECHONET Liteの送信や、Arduino3からのCO2センサ値のI2C通信と、ダクトスイッチによる制御を行います。以下の回路を参考に接続してください。
Raspberry PiはArduino2とArduino3と接続します。これで電気回路は完成となります。
ひとつの基板ではスペースが足りないため今回は3層に分けて実装しました。
一段目の回路の完成後の写真がこちらになります。
縦方向の配線接続は以下の写真のように配線することで可能にしています。

資料としてArduino1,Arduino2,Arduino3のフローチャートを載せておきます。
次にRaspberry Pi 3のECHONET Lite制御部です。
プログラムファイル内にあるRaspberryをRaspberry Pi3のDesktopに移してください。そしてECHONET Lite対応の換気扇が接続されているWiFiにRaspberry Pi 3を接続すれば完了です。
(Raspberry PiでGPIOとI2Cを有効にしておいてください)
参考までにRaspberry Piのフローチャートについて載せておきます。

最後に容器の設計についてです。
今回はレーザー加工機を使用して以下の写真のように木材を加工しました。
また、LEDマトリクスの表示前面にはLEDが柔らかく点灯するように、黒いアクリル板と紙を挟んでいます。
以上で完成となります。
参考までに本レポートの資料をまとめたPDFのURLを張っておきます。ご活用ください。
http://smart-ilab.sakura.ne.jp/wp/wp-content/uploads/2016/07/CO2センサを用いた換気扇自動制御デバイス開発資料.pdf
参考文献
[1] ECHONET Lite – Wikipedia , https://ja.wikipedia.org/wiki/ECHONET_Lite
[2] ECHONET Lite規格 – エコーネットコンソーシアム
APPENDIX ECHONET機器オブジェクト詳細規定 Release Hのダウンロード ファイルリスト , https://echonet.jp/spec_object_rh/
[3] Raspberry PiとArduinoをI2Cで接続する , http://robocad.blog.jp/archives/723986.html
[4] kminami/python-echonet-lite – GitHub , https://github.com/kminami/python-echonet-lite
[5] LEDマトリックスでぱらぱらアニメ , http://studiokura.com/members/p5/2012/10/28/led-matrix-parapara-anime/




















